#AkademiaAutomatyki

22 Lipiec 2017
Reduktory ciśnienia pary wodnej – jak skutecznie redukować
Z koniecznością redukcji ciśnienia pary wodnej spotykamy się w każdym niemal zakładzie wykorzystującym parę w różnych procesach. Jaki zawór wybrać, by zrobić to w sposób skuteczny i cieszyć się jego długą żywotnością? Na co zwrócić uwagę przy doborze i montażu?

Dwie popularne metody
Na rynku istnieje kilka typów reduktorów ciśnienia, a najbardziej popularnymi są zawory bezpośredniego działania oraz zawory pilotowe, które regulują ciśnienie w automatyczny sposób.
Zawory bezpośredniego działania to rozwiązanie proste, tanie i efektywne w swoim działaniu. Regulacja ciśnienia jest bardzo prosta, gdyż odbywa się ona na pokrętle zaworu, a do swojej pracy nie potrzeba zewnętrznej linii impulsowej. Stopień redukcji ciśnienia to 10:1. Reduktory te charakteryzują się dokładnością redukcji ciśnienia oscylującą w granicach 10% i na ogół swoje zastosowanie mają dla niewielkich przepływów pary wodnej.
Podstawowe cechy reduktora bezpośredniego w oparciu o mieszkowy reduktor ciśnienia typu GD-30 ARMSTRONG”

Drugim rozwiązaniem są zawory pilotowe wykorzystywane najczęściej tam, gdzie zwykłe zawory bezpośredniego działania nie dają rady. Są to aplikacje, w których wymagana jest większa wydajność i dokładność oraz wszędzie tam, gdzie niezbędny jest duży stopień redukcji ciśnienia. Zawory pilotowe składają się tak naprawdę z dwóch zaworów w jednym korpusie, tj. zaworu pilotowego, który charakterystykę pracy ma zbliżoną do zaworu bezpośredniego działania, oraz zaworu głównego. Zawór pilotowy oddziałuje na membrany, które poprzez tłok regulują stopień otwarcia zaworu głównego. Tego typu rozwiązanie sprawia, że zawory pilotowe cechują się większymi wydajnościami w stosunku do zaworów bezpośredniego działania. Zawory te są również znacznie bardziej wrażliwe na wszelkie zmiany ciśnienia w instalacji, co polepsza ich dokładność regulacji do ±1%. Najlepsze zawory dostępne na rynku cechują się stopniem redukcji ciśnienia nawet 20:1.
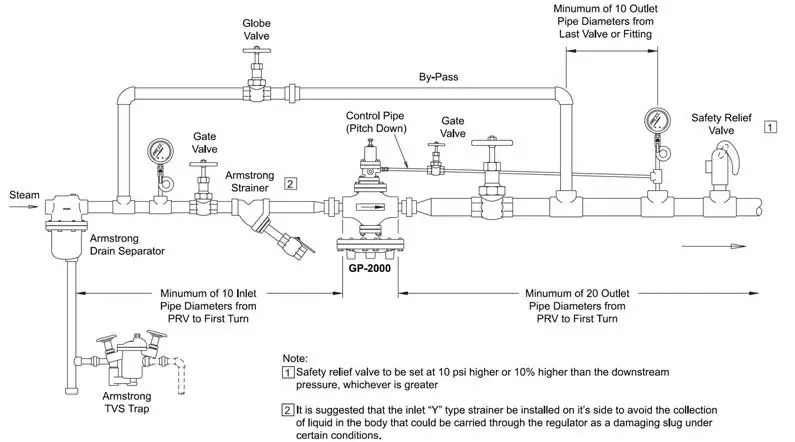
Schemat zaworu pilotowego typu GP-2000 firmy ARMSTRONG:

Prawidłowy dobór
Ze względu na funkcję reduktorów, niesłychanie ważne jest, by ich dobór przeprowadzony został w sposób przemyślany i prawidłowy. Przed zakupem zaworu zadajmy sobie pytanie czy nasze ciśnienie wlotowe jest stabilne, gdyż wraz ze zmianą ciśnienia różnicowego, zmienia się wydajność każdego zaworu (producenci w swoich kartach technicznych podają wartości wydajności w postaci tabeli lub wykresu). Dobierając zawory pamiętajmy, że optymalna ich praca powinna być w przedziale 60-80% maksymalnej wydajności, gdyż przewymiarowanie sprawi ich nieprawidłową pracę. Nie sugerujmy przy tym się średnicą rurociągu, a faktyczną wartością przepływu pary.
Każdy reduktor dobiera się także w oparciu o instalację z jaką mamy do czynienia. Kupując zawór musimy sprawdzić zatem czy mamy odpowiednie odcinki proste przed i za zaworem. Pamiętajmy również o urządzeniach wokół reduktora, w szczególności uważnie dobierajmy odwadniacz parowy, który zabezpieczy reduktor przed kondensatem. Swoją uwagę poświęćmy również na zawór bezpieczeństwa za reduktorem, który zabezpieczy pozostałe urządzenia przed zbyt wysokim ciśnieniem w przypadku awarii zaworu.












